Description
Loadcell 0782 Mettler Toledo là dòng cảm biến lực tín hiệu tương tự (loadcell analog). Thiết kế cấu trúc hình trụ với khả năng chống xô lệch tốt.
Cảm biến lực Mettler Toledo model 0782 được chế tạo hoàn toàn bằng thép không gỉ theo tiêu chuẩn OIML R60 C30 và NTEP 10000.
Không chỉ cung cấp khả năng chịu tải từ 20 tấn đến 200 tấn. Loadcell 0782 Mettler Toledo còn sử dụng bền bỉ, chính xác, ổn định trong mọi điều kiện môi trường.
Ứng dụng phổ biến trong các hệ thống cân ô tô, cân xe tải, cân silo và các hệ thống tack chứa dung dịch…Đặc biệt, kết nối tương thích với đầu cân IN231 Mettler Toledo hiệu quả cao.
THÔNG SỐ KỸ THUẬT LOADCELL 0782 METTLER TOLEDO
| Khả năng chịu tải | 20 tấn – 200 tấn |
| Tiêu chuẩn | OIML R60 C30 và NTEP 10000 |
| Điện áp biến đổi | 2.0 ± 0.002 mV/V |
| Điện áp kích thích | 20V (DC/AC) |
| Dải điện trở đầu vào | (1165 ± 10)Ω |
| Dải điện trở đầu ra | (1000 ± 3)Ω |
| Điện trở cách điện | 5000MΩ (5VDC) |
| Quá tải an toàn | 125% F.S |
| Quá tải phá hủy | 300% F.S |
| Sai số lặp lại | 0.01% F.S |
| Sai số tuyến tính | 0.02% F.S |
| Nhiệt độ hoạt động | -30˚C đến +65˚C |
| Tiêu chuẩn an toàn | IP68 |
| Thời hạn bảo hành | 12 tháng |
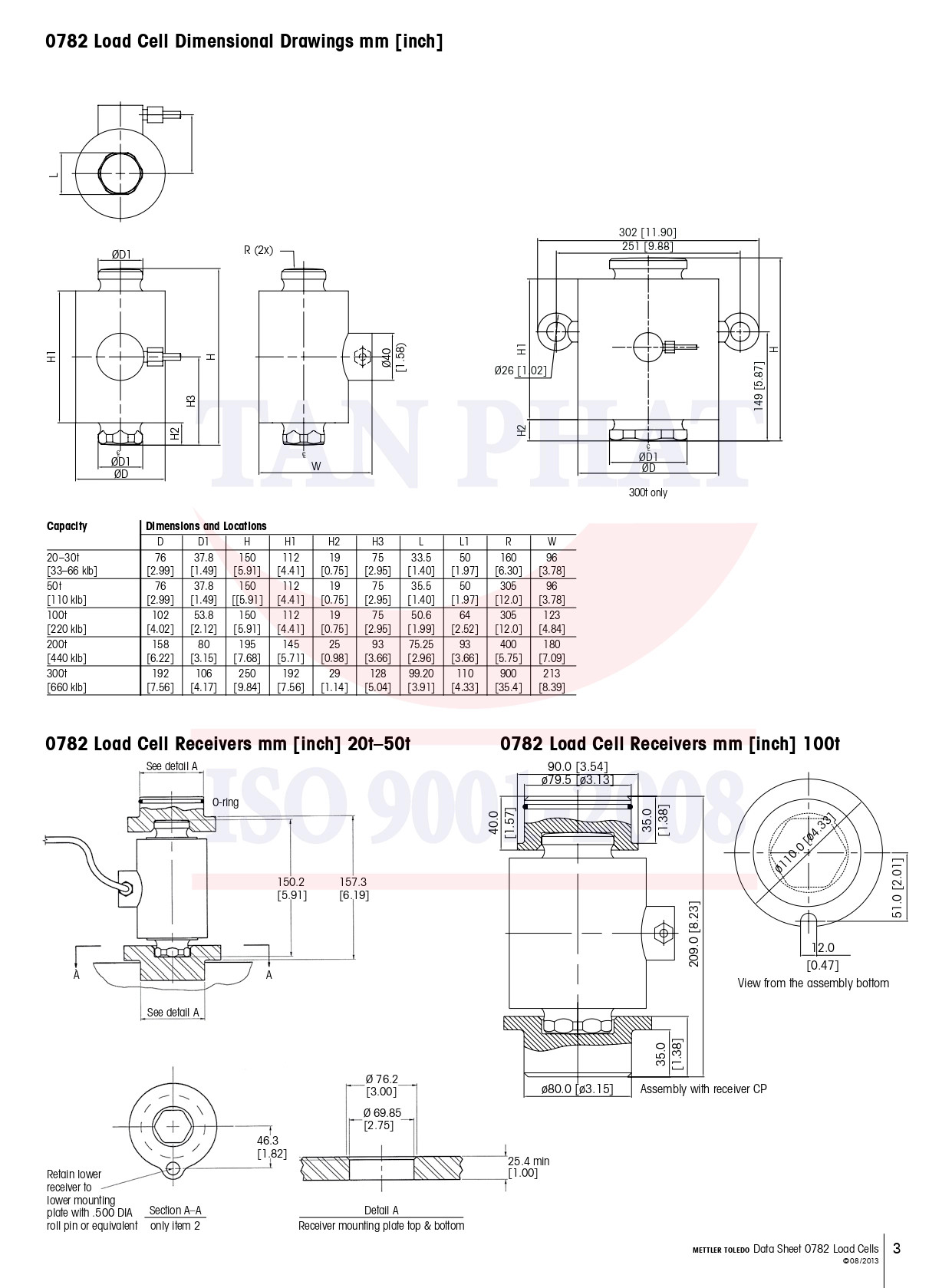
BẢN VẼ CƠ KHÍ LOADCELL METTLER TOLEDO 0782
ĐỊA CHỈ MUA LOADCELL CÂN Ô TÔ CHÍNH HÃNG, GIÁ TỐT
Hoạt động và cạnh tranh trên thị trường với hơn 15 năm kinh nghiệm. TAN PHAT AUTOTECH.,JSC trở thành một trong những đối tác uy tín hàng đầu tại Việt Nam chuyên nhập khẩu và phân phối các sản phẩm thiết bị cân ô tô điện tử.
Loadcell 0782 Mettler Toledo cũng là một trong những dòng loadcell cân ô tô mà chúng tôi sử dụng thường xuyên và cung cấp phổ biến.
Quý khách quan tâm vui lòng liên hệ trực tiếp số điện thoại 0565.966.866 hoặc điền đầy đủ thông tin vào mẫu đăng ký sau đây để nhận tư vấn báo giá sớm nhất.







